Y42F Stainless Steel Pressure Reducing Valve
manufacturer: Kaiweixi Valve Group Co., Ltd.
Eml: Yannie@kaiweixi.com
Tel: +86(577)67038872
Mob: +86 189 6779 6135(WeChat Same Account)
product drawing

Y42F Stainless Steel Pressure Reducing Valve
Overview
The Y42F Stainless Steel Pressure Reducing Valve is a high-performance pressure regulating valve featuring an all-stainless steel structure and pilot-operated control principle. It senses downstream pressure changes via a precision pilot valve and uses the medium’s own hydraulic pressure to drive the main valve disc for precise movement, achieving automatic adjustment of inlet pressure and stable output. Its core function is to continuously stabilize unstable or excessively high fluid pressure in the system within a preset safe operating range, effectively protecting downstream precision instruments, pipelines and equipment from pressure fluctuations and overpressure damage. The valve body is integrally forged from stainless steel, boasting a robust and compact structure. It is widely applied in chemical, pharmaceutical, food and beverage, marine, and high-purity pipeline systems—suitable for working conditions with strict requirements for corrosion resistance and pressure control precision.
Features
1. All-Stainless Steel Construction, Strong Corrosion Resistance
The valve body, bonnet, and internal components are integrally machined from 304/316 stainless steel, offering excellent corrosion resistance, high-temperature resistance, and intergranular corrosion resistance. It can withstand water, steam, grease, and various weakly corrosive chemical media for long-term use, suitable for hygienic and high-purity working environments.
2. Pilot-Operated Control, Precise Pressure Stabilization
Adopts hydraulic control with linkage between an independent pilot valve and main valve. It highly sensitively detects downstream pressure fluctuations and uses hydraulic amplification to precisely drive the main valve disc for flow area adjustment. This achieves high-precision stable pressure output under large-flow conditions with strong anti-interference capability.
3. Built-In Filtration, Reliable Operation
The pilot control circuit is equipped with a standard high-mesh stainless steel filter screen, which effectively intercepts pipeline impurities. It protects the precision structure of the pilot valve from clogging and wear, ensuring long-term stable operation of the valve in complex media and significantly extending service life.
4. Intuitive Adjustment, Easy Maintenance
A precision pressure adjustment mechanism with scale indication is installed on the top of the bonnet. The outlet pressure can be intuitively set and locked by rotating the adjusting screw. The modular design of the pilot valve and main valve assembly allows for quick disassembly and maintenance, with easy replacement of wearing parts.
5. Multi-Functional Integration, Flexible Application
In addition to basic pressure reducing function, it can be optionally equipped with pressure gauge interfaces, safety relief valves, external pressure guiding pipes and other accessories. It meets diverse needs such as system monitoring, overpressure protection, and remote control, especially suitable for marine ballast systems, chemical process control, and supporting special equipment.
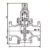
Dimensions & constructral diagram

Y42F Stainless Steel Pressure Reducing Valve constructral diagram
Material of main parts
| NO. | Name | Material |
|---|---|---|
| 1 | Valve body | Stainless steel |
| 2 | Valve seat | Stainless steel |
| 3 | Cylinder sleeve | Hard chrome plating |
| 4 | Piston | Stainless steel |
| 5 | Regulating spring | 60Si2Mn |
| 6 | Seal ring | NBR |
| Performance Specification | |
|---|---|
| Nominal Pressure | 1.6 MPa |
| Shell Test | 2.4 MPa |
| Seal Test | 1.76 MPa |
| Suitable Temp. | ≤80 ℃ |
Specification and dimensions
| DN | L | H1 | H2 | ||||||||
|---|---|---|---|---|---|---|---|---|---|---|---|
| PN16/25 | PN40 | PN64 | PN16 | PN25 | PN40 | PN64 | PN16 | PN25 | PN40 | PN64 | |
| 20 | 160 | 180 | 180 | 90 | 90 | 90 | 90 | 220 | 220 | 220 | 220 |
| 25 | 180 | 200 | 200 | 95 | 95 | 100 | 105 | 255 | 255 | 265 | 265 |
| 32 | 200 | 220 | 220 | 100 | 100 | 110 | 110 | 255 | 255 | 265 | 265 |
| 40 | 220 | 240 | 240 | 115 | 115 | 130 | 130 | 325 | 325 | 330 | 330 |
| 50 | 250 | 270 | 270 | 120 | 120 | 135 | 135 | 325 | 325 | 330 | 330 |
| 65 | 260 | 280 | 300 | 125 | 125 | 130 | 145 | 330 | 330 | 340 | 355 |
| 80 | 310 | 330 | 330 | 135 | 135 | 150 | 160 | 340 | 340 | 340 | 360 |
| 100 | 350 | 380 | 380 | 108 | 108 | 185 | 185 | 317 | 317 | 360 | 360 |
| 125 | 400 | 450 | 450 | 190 | 200 | 200 | 245 | 560 | 560 | 565 | 565 |
| 150 | 450 | 500 | 500 | 205 | 210 | 240 | 280 | 580 | 580 | 585 | 585 |
| 200 | 500 | 560 | 560 | 220 | 245 | 245 | 310 | 630 | 630 | 635 | 635 |



